Are you situated in an area where there is significant QRM/QRN noise (QRM: man-made noise and QRN: naturally occurring noise) present on the HF Band making it impossible to receive weak signals? Why not try building this noise canceller which nulls out and attenuates RF noise and interference with up to 40dB (typical). This includes noise from sources such as power lines, switching power supplies, TV’s, computers, vehicle engines, etc. This circuit (refer to figure 1) is based on a design published in an article by Lloyd Butler (VK5BR). It works reasonably well at "nulling" out noise across the HF Band (from 1.8 to 30 MHz).

HF Band QRM/QRN Noise Canceller
In practice I have been able to attenuate noise sources with as much as up to 5 to 6 S units which is equivalent to about 40 dB. This noise canceller is suitable for use with a receiver or transceiver and works on all modes, including AM, FM and SSB.
The noise canceller is able to attenuate noise effectively on most frequencies using a RF noise antenna installed near the source generating the noise. In my experience a V-Beam or a single Delta Loop antenna used as the noise antenna pointing in the direction of the noise source works best. I initially tried a dipole antenna and a long piece of wire and both did not work effectively. V-Beam antenna’s are directional and have about 3 dB gain over a dipole. A better alternative to a V-Beam is a single Delta Loop, in the vertical polarization configuration (the apex at the top, flat side horizontal to the ground and fed at one of the two bottom sides), which is also directional and has about 4 dB gain over a dipole with a lower take-off angle.
A V-Beam antenna is basically an inverted-V antenna mounted horizontally. The V-Beam antenna should be mounted low to the ground (about 2 meters above the ground), pointed (the two ends of antenna are to point in the desired direction) towards the RF noise source and should, as far as possible, not receive the desired signal and only the noise. My V-Beam works best with both wires cut at 2.4 m length (approximately 0.25 Lambda for the 27 MHz Band).
A single Delta Loop antenna is a triangular antenna with each side 3.411 m in length (approximately 0.33 Lambda for the 27 MHz Band). The Delta Loop antenna should be mounted low to the ground (about 1 meter above the ground), pointed broadside in the direction of the RF noise source and should, as far as possible, not receive the desired signal and only the noise.
For use on other frequencies the V-Beam and Delta Loop are not designed for try connecting only the centre wire of the coax to the noise canceller. Finding the most effective noise antenna for a required frequency band and your specific situation is experimental.
The main antenna receives both the desired signal and noise. The noise canceller works by combining the noise received from the noise antenna 180 degrees out of phase with the desired received signal and noise from the main antenna thus "nulling" out the noise and leaving only the desired signal.
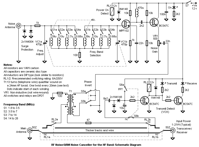
To protect the noise canceller circuit and the power output stage of a transceiver a transmit detector circuit, similar to a voice operated switch (VOX), (refer to figure 1) has been included. The detector automatically detects transmissions and switches the transceiver directly to the main antenna thus bypassing the noise circuit. It is important to connect the noise canceller between the transceiver and a linear amplifier if one is used. The transmit detector and noise canceller circuits will otherwise be overloaded and may suffer damage which in turn may lead to transceiver output stage damage. There is also a manual PPT (push-to-talk) switch which makes it possible to control switching between receive and transmit modes on the noise canceller manually. In this case it is important to switch to transmit mode before commencing with a transmission. Try to keep the wire connecting the PPT switch and the VOX as short as possible; it tends to increase the VSWR. You might even consider removing the PPT and associated wiring completely.
Furthermore, additional protection has been provided by inclusion of a relay (RL1) which connects the main antenna directly to the receiver or transceiver when power to the noise canceller is turned off. The two rectifier diodes connected to the input of the noise antenna provide limited surge protection (to protect the unit from lightning damage disconnect the antennas completely during a thunderstorm).
Use relays which are rated to switch high currents to minimise signal loss and to prevent the contacts from burning over time. The variable resistor which adjusts the noise gain should not be inductive or wire wound as this will affect the parameters of the circuit. A normal carbon type can be used as the current flowing through it is not too high and it should not burn.
The value of the smoothing capacitor in the transmit detect (VOX) circuit is 10 uF, however should the relay (RL2) take too long to switch off after a transmission ends, the value can be decreased until the desired delay is obtained. The value should not be too low as this will cause the relay (RL2) to switch on and off erratically during a transmission under normal speech conditions. The value can be changed on a trial-by-error basis to suite your needs.
Important: Just as a precaution, check the VSWR at minimum and then maximum power. The coax patch lead connecting the receiver or transceiver to the noise canceller may alter the VSWR of your antenna installation. Should this occur adjust the length of the patch lead and/or main transmission line coax until the VSWR is acceptable again. It might be necessary to cut the same length used for the patch lead off the main coax cable transmission line (try to keep the patch lead as short as possible). Ensure the coax cable transmission line is cut to a length which uses multiples of 0.5 wavelength because each 0.5 wavelength of cable represents the characteristic impedance of 50 ohm. Also take the velocity factor (VF) of the cable into account. The VF for RG58/U Solid Polyethylene (inside insulation: transparent) is 0.66 and for Foam Polyethylene (inside insulation: white) is 0.78 respectively. Solid Polyethylene coax cable one 0.5 wavelength long is 3.600 metres. The calculation (in metres) is as follows: 300/27.500X0.66/2 = 3.600 m. By inserting the noise canceller between a receiver or transceiver, using a patch lead, the length of the transmission line is increased and this needs to be taken into account. Please don't blow your rig.
Transformer (T1) consists of four windings quadfilar wound around a HF toroid (yellow and white in colour) with an outside diameter of about 24mm. It is recommended to use insulated wire from a telephone cable with different colours as this will assist in identifying each individual winding once the transformer has been wound. To start, strip a telephone cable back about one meter. Untwist and straighten four different coloured wires. Then twist all four wires together, about one turn every 20mm. Once done wind the wires through the toroid (13 windings). All the remaining inductors are DIP type, appear similar to 1/4W resistors and can be purchased in the values indicated.
The variable capacitor which adjusts the frequency is a twin-gang type and was salvaged from an old short-wave receiver.
Use a metal box to construct the noise canceller, "earthing" the power supply negative directly to the box as well as the negative supply of each circuit. I connected the negative rail of each circuit to the box through the metal stand-off's. One side of the variable capacitor also connects directly to the box.
Try to keep all wiring as short as possible. To minimise transmission loss through the noise canceller if a transceiver is connected, it is recommended to use at least 1mm diameter copper wire for connections to the main antenna and receiver UHF-type connecters and to the transmit detector circuit as shown in the schematic diagram (refer to figure 1).
Adjusting the noise canceller is done by trial-and-error. Refer to an article by Timewave Technology which explains how to adjust a RF noise canceller. This RF Noise Canceller is similar in operation to Timewave's ANC-4. Once you get the basics sorted out it becomes easier and in most cases takes only a couple of seconds to adjust.

Figure 1: HF Band QRM/QRN Noise Canceller: Schematic Diagram
Below are several samples recorded using the HF Band QRM/QRN Noise Canceller. The Noise Canceller was switched in and out a few times during the recording of each sample demonstrating the "nulling" capabilities of the unit:
AFN: 4.319 MHz USB at S7 signal strength
Interference tone: S9 signal strength
Recording: WMA Format (38 seconds)
NY Radio (Volmet): 10.051 MHz USB at S4 signal strength
Gate motor switching power supply interference: S7 signal strength
Recording: WMA Format (48 seconds)
Tokyo Radio (Volmet): 4.660 MHz USB at S3 signal strength
Atmospheric interference: S9 signal strength
Recording: WMA Format (26 seconds)
Ham Operator: 7.183.5 MHz LSB at S3 signal strength
Gate motor switching power supply interference: S5 signal strength
Recording: WMA Format (41 seconds)
| Noise cancellation type | Phase shift QRM/QRN noise cancellation (180 to 360 degrees) |
| Frequency range | HF Band (1.8 to 30 MHz) |
| Operating voltage | 12 V |
| Operating current | Typically 80 mA (TX); 40 mA (RX) |
| RF noise attenuation | 40 dB (typical) |
| Connectors | 3 UHF-type (main antenna, noise antenna and transceiver) |
| Insertion loss (receive) | Approximately 6 dB |
| Insertion loss (transmit) | Approximately 0.2 dB |
Antenna's